Вијци без главе са прорезима
Стандард: ДИН 427
Тип конца: груба нит
Производ: Вијци без главе са прорезима
Такође се зове: Слотлед Хеадлесс Сет Сцрев
Материјал: угљенични челик
Пречник: М1, М1.2, М1.4, М1.6, М2, М2.5, М3, (М3.5), М4, М5, М6, М8, М10, М12, (М14), М16, (М18 ), М20
Завршна обрада: обична/ црна/ поцинкована/ пасивирана са дебелим филмом (ЗСМЛ)/ цинк пахуљица, сребрна (ЗФСХЛ)/ вруће поцинкована/ органска/ геомет/ дакромет/ фосфатирање/ галванизација кадмијумом/ никлована
Тип главе: Без главе
Тип погона: Утичница
Облик краја: Са закошеним крајем
МОК: 1000 кг
Време испоруке: 30 до 60 дана
Представљање производа

Као глобални добављач прилагођених решења за причвршћивање, АИА-ин сервисни процес је такође близак купцима као и АИА производи. Од описивања потреба до пратећих услуга, АИА ће одмах и без поштеде помоћи купцима да реше све проблеме са причвршћивањем који се појаве, како би елиминисали забринутост купаца.
ОПИС ПРОИЗВОДА
| Назив производа | Вијци без главе са прорезима |
| Такође именован | Завртњи без главе са прорезима |
| Материјал | Угљен челик |
| Стандард | ДИН 427 |
|
Пречник |
M1, M1.2, M1.4, M1.6, M2, M2.5, M3, (M3.5), M4, M5, M6, M8, M10, M12, (M14), M16, (M18), M20 |
| Заврши | Обична, црни оксид, поцинкована, вруће поцинкована, оксидација, дакромет, фосфатирање, кадмијум галванизована, никлована |
| Тип главе | Без главе |
| Дриве Типе | Соцкет Дриве |
| Тхреад Типе | Цоарсе Тхреад |
| Схапе Оф Енд | Са закошеним крајем |
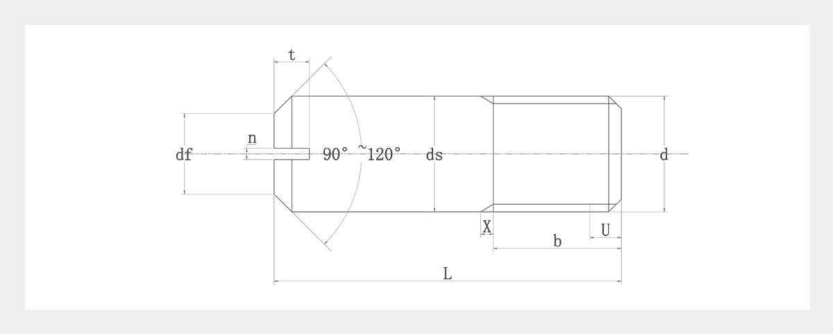
ТАБЕЛА ДИМЕНЗИЈА



ДЕТАЉИ О ПРОИЗВОДУ

ПРЕДНОСТИ ПРОИЗВОДА

ПРЕДНОСТИ шрафова без главе са прорезима
1. Лако је очистити ове шрафове са урезима и можете их користити за спољашњу употребу.
2. Вијци са прорезима су најбољи за апликације којима је потребан мали обртни момент.
3. Израз 'без главе' значи да вијак нема главу и да је у потпуности навојен.
4. Не треба вам много труда да бисте уметнули шраф у било коју површину.
5. Запослили смо наменски тим да испоручи ваше шрафове на време.
6. Наши професионалци су проверили квалитет шрафова.
КОНТРОЛА КВАЛИТЕТА

ПАКОВАЊЕ И ПУЊЕЊЕ КОНТЕЈНЕРА

СЦЕНАРИЈИ КОРИШЋЕЊА

ЗАШТО АИА?
АИА пружа ексклузивне услуге за 1000 плус чланова из целог света сваке године, са јединственим системом решења за ланчане услуге, потребно је само да кликнете мишем да бисте добили ексклузивна решења за причвршћивање и уживали у услугама од врата до врата.
Popularne oznake: вијци без главе са прорезима, Кина, добављачи, произвођачи, фабрика, куповина, цена, продаја, направљено у Кини














